Дом из несъемной опалубки Клязьма двухэтажный 11х11

Получить презентацию проекта

Лучший дом для вашей семьи

Представляем недорогой комфортный коттедж "Клязьма" реализованный нашими конструкторами по рекомендациям заказчика. Этот дом – настоящая усадьба для большой дружной семьи. В нём есть абсолютно всё: гараж, позволяющий решить вопрос с парковкой и хранением вашего автомобиля; просторная гостиная; несколько спален; второй свет; два комфортных балкона, один из которых настолько просторный, что позволит проводить на нём время всей семьёй, любуясь природой.

Построим вашу мечту

Характеристики проекта

  • Размер дома 11х11 м
  • Число полных этажей 2
  • Высота потолков 3 м
  • Мансарда да
  • Цокольный этаж нет
  • Площадь кухни 14 м2
  • Фундамент УШП
  • Стены Несъемная опалубка
  • Фасад Облицовочный кирпич
  • Навес для машины нет
  • Гараж да
  • Гараж на 2 машины нет
  • Веранда нет
  • Балкон да
  • Камин да
  • Баня нет
  • Бассейн нет
  • Второй свет да
  • Барбекю нет
  • Стиль дома Европейский

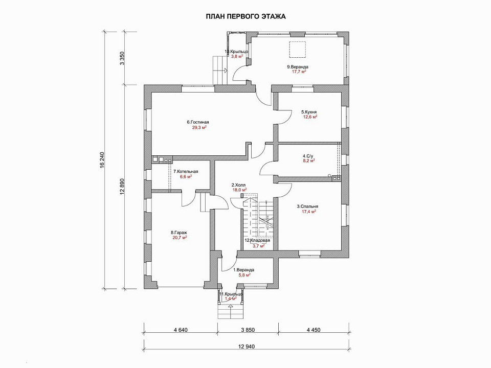
Описание дома

Проектом предусматривается двухэтажный коттедж и теплая мансарда. Компоновка внутреннего пространства характеризуется продуманностью и принимает во внимание размещение инженерных систем, вид из окон и расположение сторон света. Планировка здания включает 4 комфортных спальни и 2 санузла. Полезная площадь составляет 282 м2, площадь кухонного пространства 14 м2. Для этого коттеджа мы советуем использовать вариант фундамента - УШП фундамент. Это наиболее теплый фундамент, великолепно подходящий для коттеджного строительства в нашей климатической зоне. Материал несущих конструкций данного дома - несъемная опалубка. По вашему решению мы можем изменить этот проект под другой материал несущих конструкций, адаптировать планы этажей коттеджа и рассмотреть другие ваши требования.

У вас уже есть проект!

Давайте его обсудим!

Мы составим смету и оптимизируем расходы. Доработаем ваш проект, или создадим новый.
Мы ответим Вам в течение 24 часов
Прикрепить файл

Похожие проекты

Дом из несъемной опалубки Вента двухэтажный 10x12

Получить презентацию проекта

Дом на монолитном каркасе Сапфир-6 двухэтажный 10х10

Получить презентацию проекта
Записаться на встречу в офисе
Прикрепить файл
x
x
x
Позвонить в компанию
или
Заказать обратный звонок
Обратная форма связи
Заявка на бесплатную
видеоконсультацию